メインコンテンツにスキップ

キョウワグラスXA防護シールド

品目番号:27B3X00309XA0002
一般名称
一般医療機器:放射線防護用固定式バリア(天井吊下げタイプ)・診療用照明器

株式会社クラレが開発した放射線を遮蔽する含鉛アクリル板を防護シールド(一般医療機器)としてクラレトレーディング株式会社が製造・販売を行っております。

〈キョウワグラス-XA®〉防護シールドは放射線遮蔽性能を有した含鉛アクリル板を天井より懸垂する医療機器です。長いアームを活かした広域な防護範囲をカバーできます。

広域な防護範囲をカバーする「Aシリーズ」です。

特長

防護シールドの形状を選択可能

防護シールドの形状は手技や用途によって3種類よりお選びいただけます。

形状イメージ Ⅰ型サイズ:H700×W650mm・Ⅱ型サイズ:H370×W570mm・Ⅲ型サイズ:H370×W570mm(防護クロス:H170mm)

照明器との組み合わせ可能

クローバーシリーズ (品目番号:11B2X10036000012)製造販売元:山田医療照明株式会社

防護シールドと無影灯を組み合わせることで手技をサポートします。

クローバーシリーズ (品目番号:11B2X10036000012)
製造販売元:山田医療照明株式会社

レール式・直付式か選択可能 

診療室のレイアウトや手技によって天井への据付方法をお選びできます。

型式天井据付方法照明器
AF21直付型×
AFL21
NS21レール式×
NSL21
キョウワグラスXA防護シールド レール式(型式:NSL21) レール式(型式:NSL21)
キョウワグラスXA防護シールド 直付型(型式:AFL21) 直付型(型式:AFL21)

ロングアームタイプ

キョウワグラスXA防護シールド ロングアームタイプ 〈キョウワグラス-XA®〉防護シールド ロングアームタイプ

ロングアームタイプは従来のAシリーズよりも長いアームを有しており、今まで届かなかった位置に防護シールド・照明器をアプローチできます。

長いアーム長により天井面のモニターや照明器などの天井懸架物の外側から寝台へ放射線防護板をアプローチすることが可能です。
【用途】
  • 血管撮影室
  • ハイブリッド手術室

 

仕様

型式:NSL21(走行型、照明器付の場合)

キョウワグラスXA防護シールド 型式:NSL21(走行型・照明器付の場合) 図面

※照明器側のVST長さを明記

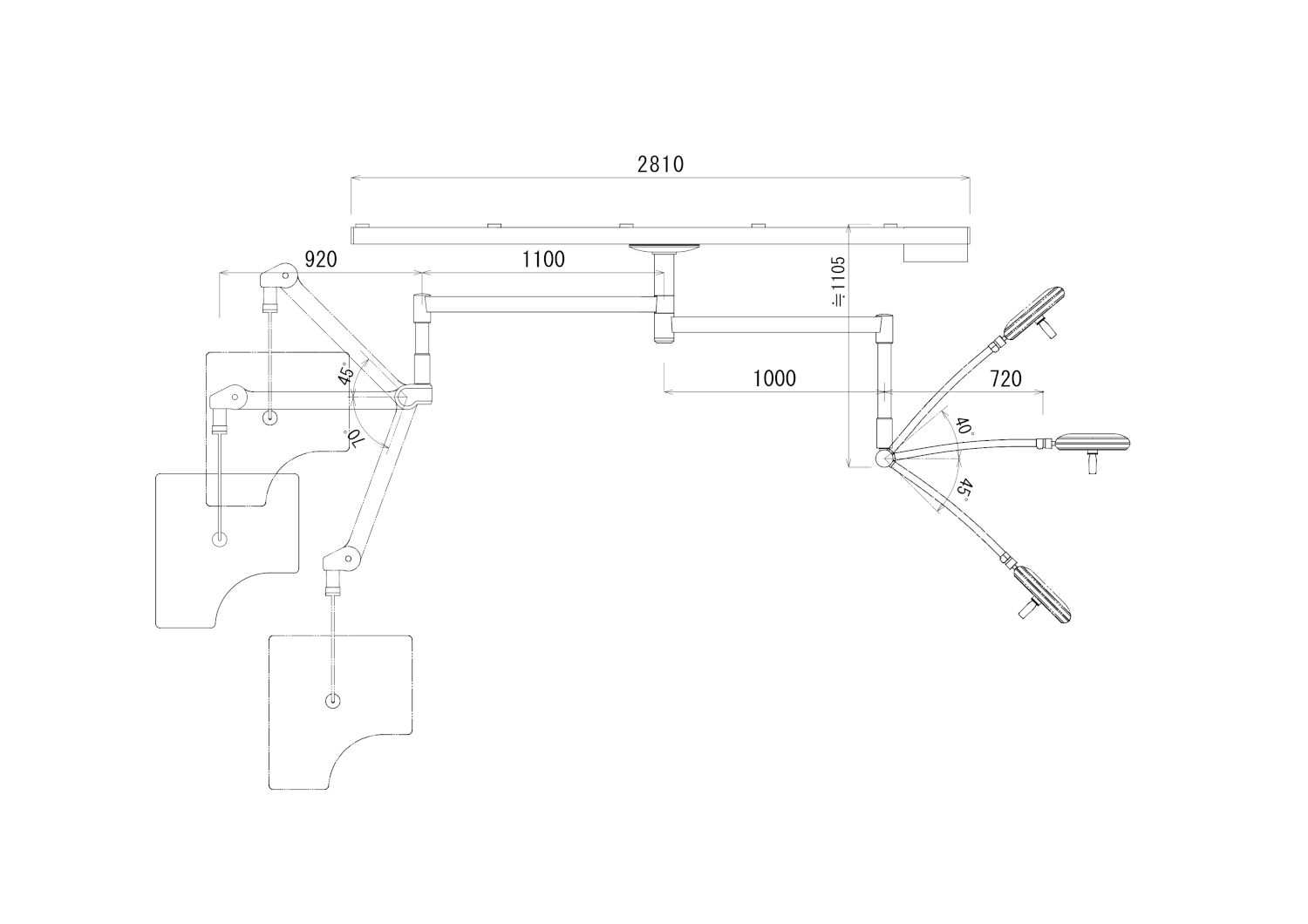
ロングアームタイプ

キョウワグラスXA防護シールド ロングアームタイプ 型式:LFL21(防護板・照明器併設型) 図面 型式:LFL21(防護板・照明器併設型)
キョウワグラスXA防護シールド ロングアームタイプ 型式:LF21(防護板のみ) 図面 型式:LF21(防護板のみ)

用途

医療分野

血管撮影室

用途イメージ:血管撮影室

天吊り式放射線防護シールドとして多くの血管撮影室で納入実績があります。

X線透視室

用途イメージ:X線透視室

内視鏡手技下における術者の放射線被ばくを低減する手段としてX線透視室でも使用されています。

ハイブリッド手術室

用途イメージ:ハイブリッド手術室

照明器やモニター等で設置スペースが限られているハイブリッド手術室でも対応可能です。

製品に関するお問い合わせ

本製品に関する技術的なお問い合わせや、お見積り作成、その他資料請求は、以下のお問い合わせフォームからご連絡ください。

お問い合わせ

製品や事業・その他会社に関するお問い合わせはこちらからご連絡ください。

Contact Us

製品資料ダウンロード

下記より資料をダウンロードいただけます。